服務熱線
133-1649-3390 (微信同號)

雖然當今科學技術飛速發展,日新月異,但無論何種先進的無線對講通信系統都無法做到在復雜的地理環境下實現真正的無縫覆蓋,諸如大型建筑物、地下商場、隧道、地鐵、機場等地域。
通常這些信號盲區范圍一般不大,但對通信的需求依然存在,甚至必須保證良好的通信覆蓋,例如:大型賓館或會展中心內在舉行重大商務活動時,因為室內對講機信號太差導致安保工作無法高效執行,影響活動的正常進行;隧道內如果不能達到信號無縫覆蓋會給交警在執勤或處理交通事故時帶來極大的困難;
在解決上述小范圍的專網信號補盲覆蓋問題時,如果再架設對講機基站因成本過高,施工復雜,在很大程度上造成資源的浪費,所以,我們致力于為用戶提供一種性價比高、安裝方便且具有對講機小型基站功能的信號延伸放大設備——T直放站,以快速響應用戶的通信需求。
隧道直放站覆蓋解決方案
隧道多為狹長的筒狀結構,由于山體樹木等環境的阻擋,對信號的屏蔽性很強,一般都為信號盲區。對于在解決長隧道覆蓋時且具備光纖鏈路時,可以安裝光纖基站信號增強器來有效地解決隧道內網絡覆蓋不到的問題,由于光纖具有成本低、損耗小的特點,最遠可拉20公里,這樣可以無需考慮隔離度問題。
解決短隧道覆蓋時,若隧道不具備光纖連路,可采用在隧道口附近用八木天線向隧道內進行覆蓋,此方案具有工程安裝簡單,造價低的特點。在解決較長隧道或隧道內彎曲網絡覆蓋時,需要對隧道進行無源天線分布;也可以采用泄漏電纜的方案進行覆蓋。
長隧道管廊IP對講機信號覆蓋系統
一、組網技術解決方案
分體式直放站有近端機和遠端機組成,按照近端機與遠端機之間的鏈接方式可以分為光纖基站信號增強器和射頻基站信號增強器。下面介紹光纖基站信號增強器。
光纖基站信號增強器
長隧道管廊對講機信號覆蓋系統
施主天線接收到對講機基站信號后,近端機的低噪放模塊將信號進行放大,經過光纖模塊將電信號轉化為光信號后,通過光纖鏈路傳輸到遠端機,遠端機將接收到的光信號轉化為射頻信號后再放大,最終通過重發天線將增強后的信號輻射到服務區,改善當地通話質量。
適用范圍:延伸基站覆蓋范圍,消除信號盲區、陰影區,改善服務區通話質量。
要求:基站至服務區應具備光纖鏈路,且鏈路總長度不超過20公里。
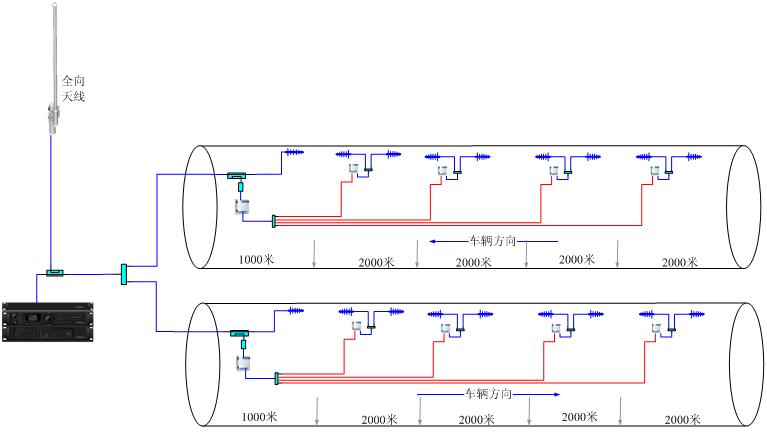
主要特點:無線接收基站信號,信號穩定;采用光纖傳輸,損耗小、成本低;近、遠端機之間光纖最遠可拉20公里,有效改善天線隔離度問題;一臺近端機最多可連4臺遠端機,可實現覆蓋范圍更大的星型組網方式,適用于狹長隧道覆蓋或室內信號覆蓋。
對于特長的隧道可以用一個近端機帶多個遠端機的方式來實現覆蓋,示意圖如下所示:
長隧道管廊對講機信號覆蓋系統
二、利用定向天線進行隧道內覆蓋的通信系統的組成

如圖所示,這種覆蓋方式比較簡單,信號源的引入可以采用無線引入也可以采用有線引入的方式。這種方式主要是針對隧道、地下通道路線比較直而且隧道距離不是很遠的情況。當隧道距離較長時,隨著距離的增加,信號在隧道內的衰減增加,造成整個隧道內的信號場強分布不均勻,容易出現掉話現象。
三、利用泄漏電纜的隧道通信系統的組成
長隧道管廊對講機信號覆蓋系統
通信系統也有有線引入和無線引入等幾種信號引入方式。這種覆蓋方式主要是針對距離長、路線彎曲的隧道。在隧道內全線鋪設泄漏同軸電纜,其全線路的場強很平穩,可提供高質量的通信鏈路。
空間波和隧道內架設泄漏同軸電纜的系統構成如上圖所示,在隧道口架設對講機信號增強器近端機,將空間波能量放大后轉送入泄漏同軸電纜,泄漏同軸電纜通過自身的槽孔將收到的信號輻射出去,在其周圍形成泄漏電磁場,來實現移動臺之間的通信。
如果隧道距離很遠,沿著泄漏電纜將會存在非均勻的能量泄漏現象。大量的能量可能從首先到達的槽口泄漏出去,為了補償電纜內電平在傳遞過程中不斷下降造成的泄漏電平的下降,幾種泄漏電纜路線可用幾種不同耦合損耗的電纜依次串聯而成,從而可以減小沿線接收信號電平的波動。
具體的隧道覆蓋工程實際上是一項比較復雜的工作,需要根據不同的隧道實地測量后制定具體的對講機信號覆蓋方案。
深圳市八百通智能技術有限公司成立于2001年,在電話機系統項目具有自主研發﹑設計﹑生產制造的能力,能為客戶提供可靠地服務及售后保障,公司嚴格進行管理。
深圳市八百通智能技術有限公司是從事工業防水防潮電話機、防爆電話機、IP電話機、工業IP通話系統、地下管廊光纖電話機、聲光擴音廣播電話機、地鐵專用應急電話機、不銹鋼緊急對講電話機、戶外景區緊急電話機、銀行專用服務電話機、特種防水電話機、部隊專用通訊系統的開發設計﹑制造﹑安裝﹑調試及售后服務的企業,產品廣泛應用于軌道交通、地下管廊、銀行、監獄、平安城市、工礦企業等領域。